This case study involves an extruder gear pump in which a gear set pumps the plastic mold from the barrel into the palletizer.
The extruder itself was already fitted with an online condition monitoring system, but in early 2016, the customer decided to have an online monitoring system installed on the gear pump as well.

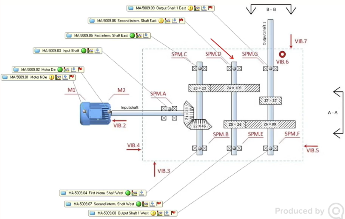
Figure 1: Graphical representation of the gearbox
A notable feature of this particular gearbox is that it has two output shafts, each driving a gear wheel. They are mounted vertically on top of each other, and the bearing of interest is on the second intermediate shaft on the top and sides.
This shaft runs between 40 and 100 RPM, meaning that the vibration community would label this as a low-RPM application, though not ultra-low.
The upper trending graph in Figure 2 represents the rotational speed of the second intermediate shaft. The bottom is the HDm and HDc trend graph.

Figure 2: Trending graphs
In the beginning, the bearing was running smoothly. The HDm and HDc were relatively low, with a small delta. But then suddenly, in the middle of May, the HDm jumped up into the yellow area of the graph. This gearbox had recently been overhauled and started up again.
So what was happening here? What was the root cause? Figure 3 shows the HD quality frequency spectrum and time waveform. Using this information, it is possible to diagnose the issue with great precision.

Figure 3: Frequency spectrum and time waveform
We can see clearly that the increased HDm values are due to the outer race of the bearing. On the right, we can see kinematic data, or specific fault frequencies that are preconfigured. Each fault symptom can be trended over time.
The explanations for the sidebands around the BPFO can be determined from the time waveform; this is due to modulation. But obviously, the outer race defect frequency is of interest here.
Figure 4 shows a representation not of a single frequency spectrum, but of hundreds or thousands of spectrums, possibly throughout the bearing’s lifetime. The regular spectrum has been flipped sideways so that the frequency band is in a vertical mode, in this case from 0 to 100 orders.

Figure 4: Color spectrum
Given the fact that this is a variable RPM application, we normalize all measurements to orders. Similar to thermography where dark blue represents cool and dark red represents hot, the dark blue corresponds to low amplitudes and the dark red corresponds to high amplitudes.
In this spectrum as well, in the middle of May we can see the first sign of the outer race defect frequency, and it continues through the middle of October. We can see the color intensity increasing, as well as the number of harmonics.
Figure 5 shows the trending graphs through the middle of October.

Figure 5: Trending graphs
If your bearing has a fresh spall, there will be sharp edges. Over time, they will be smoothed out and the lubricant film will be able to make a proper separation between the race and the rolling elements. As that happens, the readings will become smooth again. But of course a spall is irreversible.
We reported the issue to the customer. This was a brand new bearing that had just begun operating at the end of March, and the first deviation had happened in May.
In late August, we were called in for a meeting with the gearbox repair company. The production company said there would be a small production stop around the middle of October and asked whether they should replace the bearing.
That was a tricky question.
The middle graph in Figure 6 shows the readings taken with HD ENV Filter 4, which should normally detect Stage 1 and Stage 2 bearing damage.

Figure 6: SPM HD, Filter 4, and Filter 3
But it did not show an initial BPFO reading until late July. The SPM HD reading had already flagged the damage in May, so it gave us two and a half months of pre-warning time.
To determine the extent of bearing damage, we also used HD ENV with Filter 3, which has a frequency between 500 Hz and 10 kHz and is more commonly used in vibration analysis. But this line is as flat as a carpet, with no signs of outer race defect frequency.
Taking all of these readings together, we could determine that the bearing damage had not progressed further than Stage 2. So should we replace the bearing?
Normally, we would not replace a bearing at this stage. But maintenance and production said that the production stop in October was a unique opportunity and that the gearbox would need to run for another five or six years with no interruption. So the decision was made.
They replaced the bearing. When the bearing was removed, we could see that the damage was not severe.

Figure 7: Stage 2 bearing damage
However, internal bearing specialists examined the bearing after it was removed and confirmed that it would not have lasted another five to six years. In this case, replacing the bearing was the correct decision.
As you can see, using complementary measuring techniques, such as SPM HD and enveloping provides greater insight into the progression of bearing damage and an extended pre-warning time.
In this case, would we have been able to detect this bearing problem with traditional vibration analysis? This was a good case in demonstrating how using advanced technology, namely HD technology, helped us limit operational risk.

